Главная _
Вентилятор канальный Bahcivan BMFX 200
Вентилятор канальный Bahcivan BMFX 200
По запросу
Быстрый заказДоставка доставка в Южноуральск
До ПВЗ: от 220 руб., 3 - 4 дня
Доставка до двери: от 370 руб., 3 - 4 дня
1 пункт выдачи в Южноуральске Подробнее
Бренд: Bahcivan
Описание:
- Серия вентиляторов Bahcivan BMFX относится к осевым вентиляторам.
- Данная серия специально разработана и применяется там, где необходим низкий уровень шума при большой протяженности вентиляционных каналов в местах их монтажа. В комплекте с вентилятором поставляется крепежный набор.
- Вентилятор изготовлен из пластика (модели BFMX 100 – BFMX 200), а у моделей BFMX 250 и BFMX 315 стальной корпус покрытый электростатической порошковой краской.
- Защита IP 44.
- Вентилятор можно устанавливать вертикально и горизонтально. Благодаря дизайну и эргономике монтируется в вентиляционные каналы.
- Скорость вентилятора регулируется при помощи специального регулятора.
Вентиляторы применяются в: ванных комнатах, кухнях, а также в жилых и общественных помещениях.
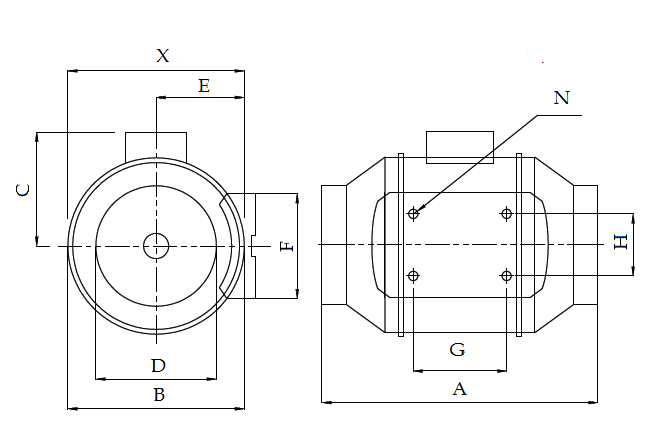
Характеристики:
Тип вентилятора - Канальный осевой
Диаметр - 200 мм
Производительность - 690/840 м3/ч
Мощность - 123/125 Вт
Уровень шума - 34/39 Дб
Особенность - Две скорости
Цвет - Белый
Обратный клапан - Нет
Производитель - Bahcivan
Страна производства - Турция
| Производитель: | Bahcivan |
| Цвет: | белый |
Авторизуйтесь, чтобы оставить отзыв: Войти








